品牌介绍:
宇通仪表在工业过程信号处理领域历经30年历史,是中国仪器仪表行业协会理事单位,并主持起草了隔离器、温度变送器,安全栅等国家标准。数百万台产品生产积累的工艺及技术在工业过程信号处理领域得到普遍应用和认可。在澳大利亚建立的产品研发基地正致力于出产功耗更低、体积更小、安全性更强、性能更稳定的工业过程信号处理仪表。产品广泛用于工业自控系统中各种信号的隔离、配电、转换、分配、报警设定等功能要求;在电力、化工、石化、建材、冶金、造纸、制药、环保、机械制造等行业,都获得了广泛应用。
产品介绍:
XS系列产品是我公司开发的适合于非防爆领域应用,用于连接工业现场仪表与控制室之间的电气接口设备。它通过电源-输入 - 输出之间的可靠隔离,有效解决工业自动化控制系统现场干扰问题,保证系统的稳定性和可靠运行。XS 系列产品具备多种类型规格可供选择,基本满足自控系统中各种信号的隔离、配电、转换、分配、报警设定等功能要求。
主要特性:
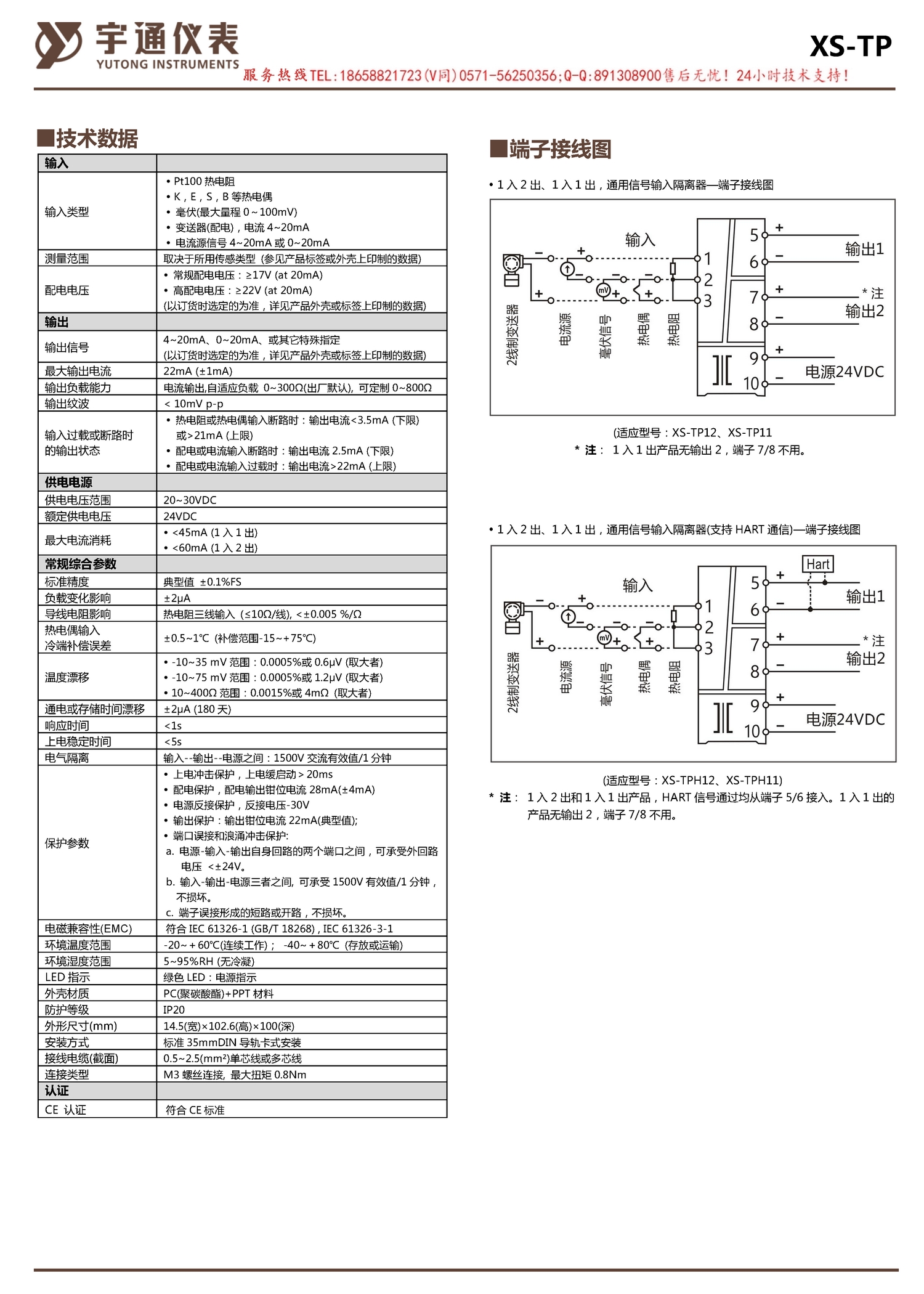
◆ 该通用信号隔离器用于连接热电阻、热电偶、毫伏、变送器(配电)或电流源。经过隔离,转换为标准的电流信号输出至控制系统或其它仪表。
◆ 按丌同接线方式切换配电、电流、热电阻、热电偶、毫伏等信号输入。
◆ 智能化设计,可以通过软件组态设定。
◆ 支持 HART 信号通过(可选)。
◆ 输出信号 4~20mA 或 0~20mA。
◆ 负载自适应电气节能技术,负载自适应宽范围输出,最大 0~800Ω。
◆ 采用独立的直流电源供电,供电电压范围 20~30VDC。
◆ 微功耗电压隔离专利技术,各输入、输出、电源间全隔离。
◆ 高精度、低温漂、模块化高密度电路设计。
◆ 齐全保护措施:上电冲击保护、配电保护、电源反接保护、输出保护、端口误接和浪涌冲击保护。
◆ 小型插装式结构,通用底座型端子,接线标准化 , 安装方便,维护方便。
◆ 系列产品通过CE认证。
| 通用信号输入隔离器 | XS-TP11 | 1入1出 |
1、通用信号输入隔离 2、HART通过(单路) 3、独立供电 |
1、Pt100 热电阻 2、 K,E,S等热电偶 3、毫伏(最大0~100mV) 4、变送器(配电), 4~20mA 5、直流4~20mA 或 0~20mA |
4~20mA、0~20mA、或其它特殊指定 |
| XS-TP12 | 1入2出 |




