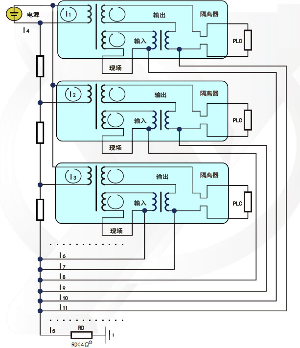
多台隔离器同时连接的系统电路示意图

在上图中,I4=I1+I2+I3 ,I5=0,I6=0,I7=0,I8=0,I9=0,I10=0,I11=0,为什么I5~I11电流为零?
回路电流定理:在独立的电源回路中,流出电源正极的电流等于流回电源负极的电流,这个结论基于能量守恒原则,流进和流出电流两者完全相等,如图。

根据这个原理,在系统里,输入信号、输出信号以及电源只要有独立的电源回路,回路电流就不会流进大地或者PLC的参考点, 产生共模电压误差,只是浮置在地电平上。即使电源和大地两者之间用很细很长的导线连接, 也不会累积起地线误差电位因为流进参考点的电流为零,所以地电平才能真正做到零电位。
在隔离器中,这个独立的电源由电源变压器付边绕组产生,隔离器中每个功能回路,如输入回路输出回路等,都需配置一个这样的独立电源,如图。

如果仪表的输入回路、输出回路都不使用隔离的电源会产生多大的地线误差电位?以下图进行说明。
假设现场有100个4~20mA信号,如果信号都是20mA,100乘以20mA就是2A,如果100台表地线电阻为0.5Ω,地电位就上翘1V,这对于250Ω取样PLC卡件,影响是量程的25%,对于25Ω取样的PLC卡件来说,影响已达到量程的250%了。

实际使用中,100台仪表的地线连接电阻远远大于0.5Ω,每台表的输出是不停地在4~20mA内变化,所以不加隔离,采用铜排来降低地线电阻,是不可能将系统稳定下来的。
上述隔离模式原理清楚,简单易行,但要素必须完备。